您好!欢迎访问伟德网上平台登录网站,从事各类堆料机、韦德国际1946体育下载、堆韦德国际1946体育下载、装船机、叶轮给料机生产设计制造
0510-85405553
网站首页
BETVLCTOR伟德在线
新闻中心
产品中心
堆韦德国际1946体育下载
1946伟德国际源自英国始于1946
装船机
给料机
平移小车
水平闸门
BETVLCTOR
1946伟德官方网站
1946bv1946伟德手机版
联系我们
首页
BETVLCTOR伟德在线
新闻中心
产品中心
堆韦德国际1946体育下载
1946伟德国际源自英国始于1946
装船机
给料机
平移小车
水平闸门
BETVLCTOR
1946伟德官方网站
1946bv1946伟德手机版
联系我们
产品中心
产品中心
- 堆韦德国际1946体育下载
1946伟德国际源自英国始于1946
- 装船机
- 给料机
- 平移小车
- 水平闸门
联系我们
电 话:0510-85405553
传 真:0510-85406639
联系人:曹经理
手 机:13606193887
地 址:江苏省无锡市宜兴市万石镇人民东路1-3号
您的位置:
首页
>>
产品中心
>>
装船机
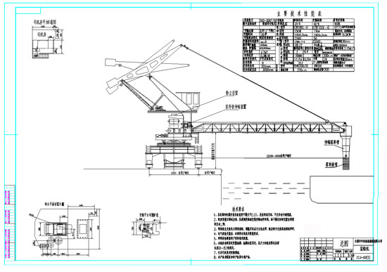
装船机
卸船机
装船机
1
map